Zrozumienie instalacji elektrycznej w Simsonie S51 to klucz do jego niezawodności i bezpieczeństwa. Właśnie dlatego przygotowałem ten kompleksowy poradnik, który pomoże Ci samodzielnie diagnozować, naprawiać lub wymieniać wiązkę elektryczną, zapewniając sobie bezproblemową i bezpieczną jazdę na tym kultowym motorowerze.
Sprawna wiązka elektryczna Simson S51 klucz do niezawodności i bezpieczeństwa
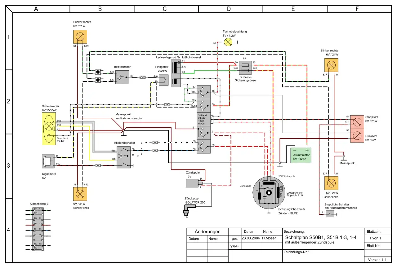
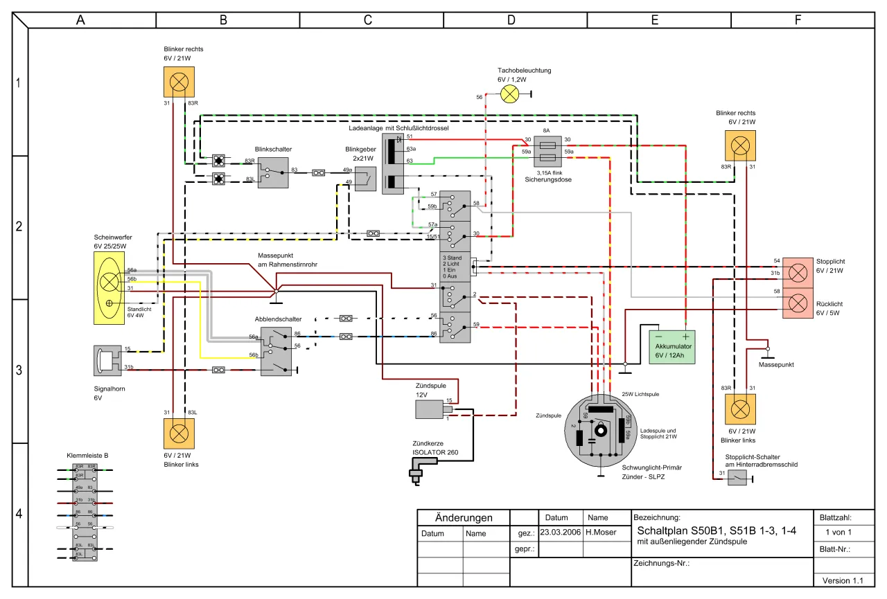
- W Simsonie S51 występują różne typy instalacji (6V/12V, platynowy/elektroniczny), których identyfikacja jest niezbędna przed rozpoczęciem prac.
- Podstawą skutecznej naprawy jest dostęp do czytelnych i poprawnych schematów elektrycznych, dopasowanych do konkretnego modelu.
- Najczęstsze usterki to brak ładowania, problemy ze światłami, kierunkowskazami, iskrą oraz masą.
- Decyzja między wymianą całej wiązki a regeneracją starej zależy od budżetu i umiejętności, a koszty wahają się od 50 zł (materiały do regeneracji) do ponad 300 zł (nowa, kompletna wiązka).
- Do pracy niezbędne są podstawowe narzędzia, takie jak multimetr, zaciskarka do konektorów i lutownica.
Sprawna elektryka w Simsonie S51 to podstawa bezproblemowej jazdy. Simson S51 to prawdziwa legenda polskich dróg, motorower, który dla wielu z nas jest symbolem wolności i młodości. Niestety, mimo swojej prostoty i niezawodności mechanicznej, ma on jedną piętę achillesową instalację elektryczną. Z biegiem lat, pod wpływem wilgoci, drgań i niewłaściwych napraw, wiązka elektryczna staje się źródłem wielu problemów, które potrafią skutecznie uprzykrzyć jazdę. Właśnie dlatego tak ważne jest, aby poświęcić jej odpowiednią uwagę i wiedzę.
Z mojego doświadczenia wynika, że najczęstsze symptomy wskazujące na problemy z wiązką elektryczną w Simsonie S51 to:
- Brak ładowania akumulatora, co skutkuje rozładowanym akumulatorem i problemami z rozruchem czy światłami.
- Niedziałające światła, zwłaszcza światło stopu, co bezpośrednio wpływa na bezpieczeństwo.
- Problemy z kierunkowskazami, które mogą działać nieregularnie lub wcale.
- "Gubienie" iskry, prowadzące do gaśnięcia silnika lub trudności z jego uruchomieniem.
- Problemy z masą, objawiające się nieregularnym działaniem różnych podzespołów elektrycznych.
- Zwarcia, które mogą prowadzić do przepalania bezpieczników, a nawet uszkodzeń innych komponentów.
Kiedy stajesz przed koniecznością naprawy elektryki w swoim Simsonie, często pojawia się dylemat: kupić nową, gotową wiązkę czy spróbować zregenerować starą? Obie opcje mają swoje wady i zalety. Nowa wiązka to przede wszystkim oszczędność czasu i pewność, że wszystkie połączenia są świeże i prawidłowo wykonane. Gotowe wiązki kosztują od 80 zł za podstawowe modele do nawet ponad 300 zł za kompletne instalacje do wersji z zapłonem elektronicznym. Niestety, na rynku znajdziemy produkty różnej jakości od tanich zamienników z cienkimi przewodami i słabymi konektorami, po droższe, rzemieślnicze wiązki wykonane z wysokiej jakości materiałów. Regeneracja starej wiązki jest znacznie tańsza, materiały zazwyczaj kosztują od 50 do 100 zł, ale wymaga więcej pracy, cierpliwości i podstawowej wiedzy z zakresu elektryki. Jeśli masz czas i lubisz majsterkować, regeneracja może być satysfakcjonującym rozwiązaniem, pozwalającym na dokładne sprawdzenie każdego przewodu i połączenia.
- Budżet: Ile możesz przeznaczyć na naprawę?
- Czas: Ile czasu możesz poświęcić na pracę?
- Umiejętności: Czy czujesz się na siłach, aby samodzielnie zająć się regeneracją?
- Jakość: Czy zależy Ci na najwyższej jakości komponentach, czy wystarczą standardowe?
Rozszyfruj swoją instalację: jak zidentyfikować typ wiązki w Simsonie

Zanim zabierzesz się za jakiekolwiek prace, musisz wiedzieć, z jakim typem instalacji masz do czynienia. W Simsonie S51 najczęściej spotykamy dwie główne wersje: 6V i 12V. Najprostszą metodą weryfikacji jest sprawdzenie napięcia żarówek jeśli są oznaczone jako 6V, to masz instalację 6-woltową. Jeśli 12V, to oczywiście 12-woltową. Możesz też zajrzeć na akumulator, jeśli jest zamontowany. W Polsce wersja 12V jest zdecydowanie popularniejsza, ponieważ zapewnia lepsze oświetlenie i stabilniejsze działanie pozostałych podzespołów.
Kolejnym kluczowym elementem jest typ zapłonu. Simsony S51 występowały z zapłonem platynowym (starsze modele) oraz elektronicznym (tzw. "Elektronik"). Różnice w okablowaniu są znaczące, zwłaszcza w okolicach cewki zapłonowej i modułu. Wersja "Elektronik" ma zazwyczaj mniej kabli wychodzących z silnika i charakterystyczny moduł zapłonowy. Zawsze upewnij się, który typ posiadasz, aby uniknąć błędów przy podłączaniu.
Niezależnie od tego, czy masz 6V czy 12V, platyny czy elektronikę, fundamentalne znaczenie ma dostęp do czytelnych i poprawnych schematów elektrycznych. Z mojego doświadczenia wiem, że wiele schematów dostępnych w internecie zawiera błędy lub jest niekompletnych, co potrafi doprowadzić do frustracji. Zawsze szukaj schematów, które są popularne w społeczności Simsona, często są to kolorowe, uproszczone wersje tworzone przez pasjonatów. Upewnij się, że schemat jest dopasowany do Twojego konkretnego modelu (np. S51 B, S51 E) i typu zapłonu.
Przewodnik krok po kroku: samodzielna wymiana wiązki elektrycznej
Przygotowanie to podstawa sukcesu. Oto lista narzędzi i materiałów, które będą Ci niezbędne do wymiany wiązki elektrycznej:
- Ściągacz izolacji: Precyzyjny i niezawodny, aby nie uszkodzić przewodów.
- Zaciskarka do konektorów: Niezbędna do tworzenia trwałych połączeń.
- Multimetr: Do testowania ciągłości obwodów i napięć.
- Lutownica i cyna: Do ewentualnych poprawek lub tworzenia bardzo trwałych połączeń.
- Konektory: Różnego typu (oczkowe, płaskie, okrągłe) w odpowiednich rozmiarach.
- Koszulki termokurczliwe: Do izolowania i zabezpieczania połączeń.
- Taśma izolacyjna: Do owijania wiązki i dodatkowego zabezpieczenia.
- Nowe przewody: O odpowiednich przekrojach (zazwyczaj 0.75 mm² do 1.5 mm²) i kolorach zgodnych ze schematem.
- Opaski zaciskowe (trytytki) i peszle: Do mocowania i ochrony wiązki.
Demontaż starej instalacji wymaga ostrożności, aby nie uszkodzić innych komponentów. Oto jak to zrobić bezpiecznie:
- Odłącz akumulator: Zawsze zaczynaj od odłączenia minusowej klemy akumulatora, aby uniknąć zwarć.
- Zrób zdjęcia: Przed rozłączeniem czegokolwiek, zrób dużo zdjęć pod różnymi kątami. To nieoceniona pomoc przy montażu nowej wiązki.
- Oznacz przewody: Jeśli nie masz pewności co do schematu, oznacz każdy przewód przed odłączeniem, np. małą karteczką z opisem.
- Rozłączaj stopniowo: Zacznij od jednego obszaru (np. stacyjka, kierownica) i systematycznie rozłączaj wszystkie połączenia.
- Usuń starą wiązkę: Po rozłączeniu wszystkich komponentów, ostrożnie wyjmij starą wiązkę z ramy Simsona, zwracając uwagę na jej prowadzenie.
Układanie nowej wiązki to moment, w którym precyzja jest kluczowa. Pamiętaj, aby prowadzić przewody w taki sam sposób, jak były prowadzone oryginalne, unikając miejsc, gdzie mogłyby się zaginać, przecierać lub być narażone na wysoką temperaturę. Zawsze staraj się, aby wiązka była schludnie ułożona i mocno przymocowana, aby zapobiec drganiom i potencjalnym uszkodzeniom.
- Prawidłowe prowadzenie: Unikaj ostrych zagięć i miejsc, gdzie przewody mogą być narażone na przetarcia.
- Unikanie źródeł ciepła: Trzymaj wiązkę z dala od gorących elementów silnika i wydechu.
- Mocowanie: Używaj opasek zaciskowych i peszli, aby wiązka była stabilna i nie przesuwała się.
- Zachowanie porządku: Staraj się, aby przewody były ułożone równolegle i estetycznie.
Podłączanie kluczowych komponentów to serce całej operacji. Zawsze kieruj się schematem elektrycznym, który masz przed sobą:
- Stacyjka: Podłącz przewody do stacyjki zgodnie z oznaczeniami na schemacie. To centralny punkt zasilania i sterowania.
- Cewka zapłonowa i moduł: Upewnij się, że połączenia do cewki zapłonowej i ewentualnego modułu zapłonowego (w wersji Elektronik) są wykonane precyzyjnie. Błędne podłączenie może uszkodzić te komponenty.
- Regulator napięcia: Podłącz regulator napięcia, który odpowiada za prawidłowe ładowanie akumulatora i stabilizację napięcia w instalacji.
- Światła i kierunkowskazy: Podłącz wszystkie światła (przednie, tylne, stopu) oraz kierunkowskazy, zwracając uwagę na prawidłową polaryzację i działanie.
- Masa: Upewnij się, że wszystkie punkty masowe są czyste i dobrze połączone. To jeden z najczęstszych problemów w Simsonach.
Po podłączeniu wszystkich elementów, należy prawidłowo zabezpieczyć przewody i przeprowadzić finalne testy. Użyj opasek zaciskowych, aby spiąć wiązkę w estetyczne pakiety, a następnie zabezpiecz ją peszlami lub taśmą izolacyjną w miejscach narażonych na przetarcia i wilgoć. Na koniec przeprowadź serię testów, aby upewnić się, że wszystko działa poprawnie. To krytyczny etap, którego nie wolno pomijać.
- Test świateł: Sprawdź światła mijania, drogowe, postojowe, tylne i stopu.
- Test kierunkowskazów: Upewnij się, że wszystkie kierunkowskazy działają prawidłowo i z odpowiednią częstotliwością.
- Test zapłonu: Sprawdź, czy Simson odpala bez problemów i czy iskra jest mocna.
- Test ładowania: Za pomocą multimetru sprawdź napięcie ładowania akumulatora (powinno wynosić około 13.8-14.4V przy włączonym silniku).
- Test klaksonu: Upewnij się, że klakson działa.
Diagnostyka i naprawa starej wiązki: kiedy regeneracja ma sens?
Regeneracja starej wiązki ma sens, gdy uszkodzenia są punktowe i łatwe do zlokalizowania. Kluczem do sukcesu jest umiejętne użycie multimetru. Oto jak go wykorzystać do zlokalizowania typowych usterek:
- Sprawdzenie ciągłości obwodu (rezystancja/buzzer): Ustaw multimetr na pomiar rezystancji (Ω) lub funkcję buzzera. Przyłóż sondy do obu końców przewodu. Jeśli multimetr pokaże bardzo niską rezystancję (bliską 0 Ω) lub wyda dźwięk, przewód jest sprawny. Brak odczytu lub bardzo wysoka rezystancja oznacza przerwę.
- Lokalizacja zwarcia: Odłącz wszystkie komponenty od podejrzanego obwodu. Ustaw multimetr na pomiar rezystancji. Przyłóż jedną sondę do przewodu, a drugą do masy. Jeśli multimetr pokaże niską rezystancję, oznacza to zwarcie do masy.
- Pomiar napięcia: Ustaw multimetr na pomiar napięcia stałego (V DC). Przyłóż sondy do punktów, w których powinno być napięcie (np. na stacyjce, przy żarówce). Jeśli odczyt jest niższy niż oczekiwany lub wynosi 0V, oznacza to problem z zasilaniem.
- Sprawdzenie spadków napięcia: Podczas pracy silnika, zmierz napięcie na akumulatorze i następnie na poszczególnych odbiornikach. Duża różnica w napięciu wskazuje na słabe połączenie lub zbyt cienki przewód.
Z mojego doświadczenia wynika, że najczęstsze awarie instalacji elektrycznej Simsona S51 i ich rozwiązania to:
-
Brak ładowania:
- Problem: Uszkodzony regulator napięcia, uszkodzona cewka ładowania w iskrowniku, słabe połączenia masowe.
- Rozwiązanie: Sprawdź regulator napięcia multimetrem, zmierz rezystancję cewki ładowania, wyczyść i dokręć wszystkie punkty masowe.
-
Problemy ze światłami:
- Problem: Przepalone żarówki, zaśniedziałe styki, przerwa w przewodzie, słaba masa.
- Rozwiązanie: Wymień żarówki, wyczyść styki, sprawdź ciągłość przewodów, popraw masę.
-
Brak iskry:
- Problem: Uszkodzona cewka zapłonowa, uszkodzony moduł zapłonowy (Elektronik), uszkodzone platynki/kondensator (platynowy), przerwa w przewodzie do cewki/modułu, uszkodzona świeca.
- Rozwiązanie: Sprawdź cewkę/moduł, wymień platynki/kondensator, sprawdź przewody, wymień świecę.
-
Problemy z masą:
- Problem: Korozja na punktach masowych, luźne połączenia, brak masy na ramie.
- Rozwiązanie: Wyczyść wszystkie punkty masowe (rama, silnik, lampy), dokręć połączenia, w razie potrzeby dodaj dodatkowy przewód masowy.
Jeśli zdecydujesz się na regenerację, kluczowe są prawidłowe techniki lutowania przewodów i wymiany konektorów. Zawsze używaj dobrej jakości cyny i kalafonii. Lutuj przewody tak, aby połączenie było mocne mechanicznie, a następnie dobrze je zaizoluj koszulką termokurczliwą. Przy wymianie konektorów, zawsze używaj odpowiedniej zaciskarki, aby zapewnić pewne i trwałe połączenie, które nie będzie się luzować pod wpływem drgań.
Po naprawie wiązki, musisz ją odpowiednio zabezpieczyć, aby uniknąć przyszłych problemów. To inwestycja w długotrwałą niezawodność:
- Koszulki termokurczliwe: Niezastąpione do izolowania lutowanych połączeń. Zapewniają szczelność i ochronę mechaniczną.
- Taśma izolacyjna: Użyj dobrej jakości taśmy do owijania całej wiązki, zwłaszcza w miejscach, gdzie przewody są narażone na przetarcia.
- Peszle: Plastikowe peszle to doskonałe rozwiązanie do ochrony wiązki przed uszkodzeniami mechanicznymi, wilgocią i wysoką temperaturą.
- Opaski zaciskowe: Służą do mocowania wiązki do ramy, zapobiegając jej swobodnemu przemieszczaniu się i ocieraniu.
Gotowe wiązki elektryczne z rynku: na co zwrócić uwagę przy zakupie?

Rynek części do Simsona jest bogaty, ale niestety nie wszystko, co dostępne, jest warte uwagi. Tanie zamienniki, często pochodzące z Chin, kuszą ceną, ale niestety zazwyczaj charakteryzują się cienkimi przewodami, słabymi konektorami i niedokładnym wykonaniem. Ich izolacja szybko pęka, a połączenia luzują się, prowadząc do szybkich awarii. Z kolei droższe produkty premium lub rzemieślnicze, wykonane z wysokiej jakości materiałów (przewody o odpowiednim przekroju, solidne konektory), to inwestycja, która się opłaca. Warto dopłacić, jeśli zależy Ci na spokoju ducha i długotrwałej niezawodności. Różnica w jakości jest często widoczna gołym okiem.
- Tanie zamienniki: Cienkie przewody, słabe konektory, niska jakość izolacji, niedokładne wykonanie.
- Produkty premium/rzemieślnicze: Odpowiedni przekrój przewodów, wysokiej jakości konektory, trwała izolacja, precyzyjne wykonanie.
Dobra wiązka elektryczna do Simsona S51 powinna spełniać kilka kluczowych kryteriów:
- Odpowiedni przekrój przewodów: Zbyt cienkie przewody mogą się przegrzewać i powodować spadki napięcia.
- Wysoka jakość konektorów: Powinny być solidnie zaciśnięte i wykonane z materiałów odpornych na korozję.
- Precyzyjne wykonanie: Wiązka powinna być starannie ułożona, a izolacja trwała i elastyczna.
- Pełna zgodność ze schematem: Kolorystyka przewodów i ich długości muszą odpowiadać oryginalnemu schematowi danego modelu Simsona.
Gdzie szukać i kupować gotowe wiązki? Zawsze polecam specjalistyczne sklepy z częściami do motorowerów zabytkowych lub sprawdzonych dostawców online, którzy cieszą się dobrą opinią. Przed zakupem warto sprawdzić opinie innych użytkowników na forach internetowych i grupach poświęconych Simsonom. Często można tam znaleźć cenne wskazówki dotyczące konkretnych producentów i jakości ich produktów.
Unikaj tych błędów: najczęstsze pomyłki przy pracy z elektryką Simsona
Jednym z najczęstszych i najbardziej frustrujących problemów w Simsonie jest niewłaściwe podłączenie masy. Masa to podstawa całej instalacji elektrycznej. Błędy w tym zakresie mogą prowadzić do wielu problemów od niedziałających świateł, przez niestabilne ładowanie, aż po całkowity brak iskry. Zawsze upewnij się, że wszystkie punkty masowe są czyste, wolne od korozji i solidnie połączone z ramą oraz silnikiem. Niewłaściwa masa to przepis na ciągłe kłopoty. Precyzyjne przestrzeganie kolorystyki kabli zgodnie ze schematem elektrycznym to absolutna podstawa. Każdy kolor ma swoje znaczenie i odpowiada za konkretną funkcję. Mieszanie kolorów lub podłączanie "na czuja" to prosta droga do zwarć, uszkodzenia komponentów (np. cewki zapłonowej, regulatora napięcia) lub po prostu niedziałającej instalacji. Zawsze miej schemat pod ręką i dokładnie weryfikuj każde połączenie.
Ostrzegam przed stosowaniem prowizorycznych rozwiązań i tymczasowych napraw. Skręcanie przewodów "na szybko", izolowanie ich zwykłą taśmą biurową czy używanie nieodpowiednich konektorów to krótkoterminowe oszczędności, które w dłuższej perspektywie zawsze prowadzą do większych problemów i są bardziej kosztowne. Inwestuj w dobrej jakości materiały i wykonuj naprawy solidnie, zgodnie ze sztuką. Tylko wtedy Twój Simson będzie służył Ci niezawodnie przez długie lata.
